アイオウル K50-10 固定ブロック ヨコ型1車50mm 使用軸受ステンレス含油メタル K5010
アイオウル K50-10 固定ブロック ヨコ型1車50mm 使用軸受ステンレス含油メタル K5010
この商品は「Yahooショップ」でご購入いただけます。詳しくは下のボタンよりショップサイトへどうぞ。
商品の詳細情報
固定ブロック ヨコ型1車50MM 使用軸受ステンレス含油メタ
適格請求書発行事業者
登録番号:T8130002021024
ふじわらアイオウル
メーカーお問い合わせ:06-6976-3201
【商品説明】
●特徴:コンパクトなデザインのヨコ型固定ブロック1車です。
●材質:枠:SUS304ステンレス、車材:SUS303ステンレス
●質量(g):330
●使用軸受:ステンレス含油メタル
●車幅(mm):12.8
●車ミゾ幅(mm):10
●使用荷重(kg):150
●使用ロープ径(mm):〜8
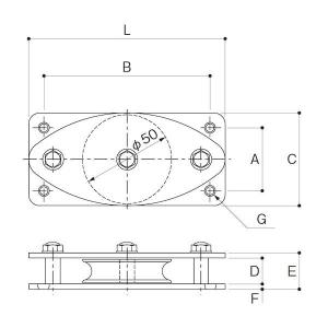
●車径(mm):50
●A(mm):36
●B(mm):82
●C(mm):52
●D(mm):15
●E(mm):19
●F(mm):2
●G(mm):5(皿8.5)
●L(mm):98
貨物輸送 固定滑車 ローラ
■■■■■ご購入前に必ずご確認ください■■■■■
PC ⇒ 商品ページ下部の【商品説明】の内容
スマホ⇒「すべて見る」をタップし【商品説明】の内容
■■■■■■■■■■■■■■■■■■■■■■■■
※ こちらの画像は代表画像となります。部品や類似品等の場合があります。型番と商品名をご確認下さい。 ●特徴:コンパクトなデザインのヨコ型固定ブロック1車です。 ●材質:枠:SUS304ステンレス、車材:SUS303ステンレス ●質量(g):330 ●使用軸受:ステンレス含油メタル ●車幅(mm):12.8 ●車ミゾ幅(mm):10 ●使用荷重(kg):150 ●使用ロープ径(mm):〜8 ●車径(mm):50 ●A(mm):36 ●B(mm):82 ●C(mm):52 ●D(mm):15 ●E(mm):19 ●F(mm):2 ●G(mm):5(皿8.5) ●L(mm):98 貨物輸送 固定滑車 ローラ
この商品は「Yahooショップ」でご購入いただけます。詳しくは上のボタンよりショップサイトへどうぞ。
価格 : 7,137 円 (税込)
